hacking the airwaves - Rachel Oxley
Rachel Oxley recently showed an installation in London where the output of a number of radios was manipulated on a Mac using Max and then sent out as a webcast. Here Rachel tells us what it's about ...


My interest is in the local and global networking of information through using the (everyday) universal radio. The work 'Rhetoric' culminated in a month long exhibition at 340 Gallery, Old Street www.340oldstreet.co.uk, and was broadcast live on the Internet enabled through the support of CMA www.commedia.co.uk.
The installation "Rhetoric" is an adapted radio installation that uses the interactive programming software of Max/Msp to translate and manipulate the layers of repeated and subversive information that infiltrates our everyday. This installation aims to directly address the dynamics of our daily information intake and understanding of contextual reference through highlighting and traversing a cross section of culturally diverse communities.
In considering territories of sound - the world as signal and noise, "Rhetoric" is a live exploration of 'radio space' as hacked by pirate stations, as used for propaganda, advertising, debate; as lifeline - as homing device, as everyday conversation. Radio by its nature promotes linguistic diversity and cultural identity - especially when listening in a metropolis such as London. Through connecting different generations of technology, "Rhetoric" physically and metaphorically aims to highlight shifts and overlaps in understanding information. How data is conceived and what information actually is?
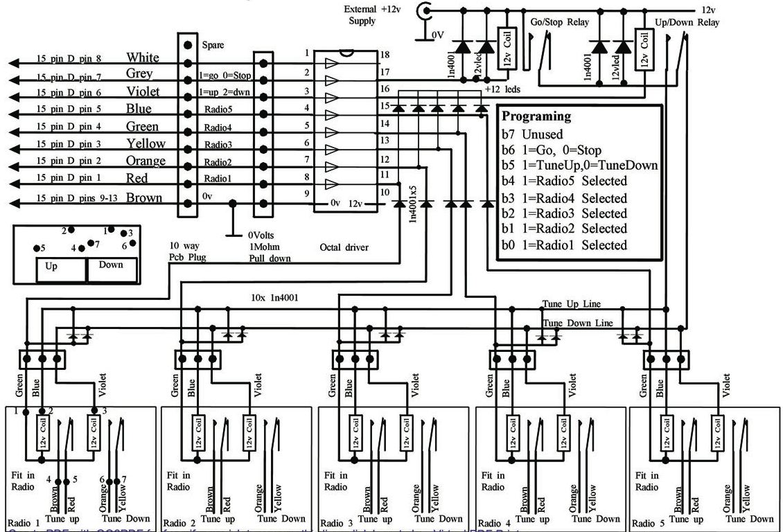
The installation comprises of five radios broadcasting five independent global radio signals. These five representative signals will constantly retune themselves. Through using a control interface, the Ircam- AtomicPro the radios constantly change their frequency and volume across a specific range throughout the duration of the exhibition.
The radio speaker in each radio is disconnected and the five independent signals are fed live into the computer. The data is read and tuned to a score composed in Max MSP. This concentrates on repeating and granulating the information. The audio data is then fed back out of the computer into the radio and reconnected to the radio speaker as if unaltered.
The radios are in close proximity to one another to create a sense of nonsensical dialogue. The listener is reminded to consider whether they are inside a community or forever illicitly listening in.
This work is important to me as a focal part of my ongoing exploration into notions of 'location' and 'identity' within the multifaceted nature, geography and time-scales of modern day life, as experienced via internet, mobile phone etc. I am particularly interested in the relationships / "noise" between simultaneous crossovers of culture, communities and communications systems e.g. radio, television, telephone.
Always somewhere else...transported via videophone.... across the world? This piece works with analogue technology as well as embracing new digital technology in an attempt to transcribe this modern model of "space". How we communicate - 'location' on a local-global scale. Through using the diffusive nature of sound I hope to relate the poignancy of individual territories - the mixing of the psychological and physical borders.
This work has given me time and context to reflect and experience on this aspect of human interaction and communications within modern society.
In the lateral use of networked space, this work is an (ongoing) exploratory and organic investigation and (therefore does not seek out a specific target group but...) aims to provide an open forum for debate and intervention, via radio wave, virtual space and gallery forum.
click on an image to get a larger picture. One is the wiring diagram and the other is a Max screen on a Mac running OSX.

The live radio mix of local and global makes accessible that which is often left unnoticed or excluded from the mainstream. As part of the WAP, Internet generation on the brink of the explosion of WIFI technology, it seems particularly poignant to redress the balance and focus on the physicality, tradition and possibilities of grass roots networking and communication. This is particularly significant as society's perceptions of location, geography and identity shift.
The piece directly relates current public usage and understanding of cultural identities and phenomena. In deliberately using generations of interconnected technology as well as manipulating new media the piece hopes to approach implications such as cultural memory as well as creating stimulus from new media technology in a very physical and immediate way.
This work aims to challenge and creatively explore the possibilities of public sound, to raise awareness of the orchestra that surrounds us. Whilst radio can be the attempt to universalise our individual experiences it can also provide a tool with which to abstract language and create a covert space for communication. Thus changing our perceptions. --Rachel Oxley
Bookmark:
post to Delicious Digg Reddit Facebook StumbleUpon
Recent on Mstation: music: Vivian Girls, America's Cup, music: Too Young to Fall..., music: Pains of Being Pure At Heart, Berlin Lakes, music: Atarah Valentine, Travel - Copenhagen, House in the Desert
front page / music / software / games / hardware /wetware / guides / books / art / search / travel /rss / podcasts / contact us